美標Y型過濾器產品介紹
美標Y型過濾器外型結構和工作原理與國標Y型過濾器基本相似,都是以鋼板卷制且帶有較大方孔或圓孔的筒型支承架,里面覆以不銹鋼紗網的雙層濾網形式,并采用包邊點焊及內腔和壓條點焊等方式固定制成過濾芯件,機械地(在工作壓力作用下)將固體雜質從流動的液體或氣體中提取出來,進行分離,其技術要求、連接型式及尺寸、材料、壓力-溫度額度值、檢驗與試驗等符合美國標準,主要安裝在按美標設計的管路系統中,用來保護系統中的泵、閥門以及其他重要流體控制元件等。
美標Y型過濾器設計制造按API 6D、ASME B16.34或ANSI B16.34標準執行,連接法蘭選用ASME B16.5、ASME B16.47、ANSI B16.5等;檢驗與試驗符合API 598或API 6D;結構長度遵循ANSIB16.10、ASME B16.10及API 6D標準。我廠生產的本產品,低壓殼體一般為鑄造而成,而高壓小口徑一般為鍛造殼體,可根據客戶不同需要設置濾網目數。
美標Y型過濾器部件材料
| 序號 | 部件名稱 | 材料名稱 | ||||
| 1 | 殼 體 | A216 WCB | A351 CF8 | A351 CF3 | A351 CF8M | A351 CF3M |
| 2 | 殼 蓋 | A216 WCB | A351 CF8 | A351 CF3 | A351 CF8M | A351 CF3M |
| 3 | 濾筒濾網 | A240 304 | A240 304 | A240 304L | A240 316 | A240 316L |
| 4 | 墊 片 | 聚四氟乙烯、柔性石墨纏繞、帶內外環金屬纏繞墊 | ||||
| 5 | 排放螺塞 | A182 F304 | A182 F304 | A182 F304L | A182 F316 | A182 F316L |
| 6 | 螺 栓 | A193 B7 | A193 B8 | A193 B8 | A193 B8M | A193 B8M |
| 7 | 螺 母 | A194 2H | A194 8 | A194 8 | A194 8M | A194 8M |
美標Y型過濾器技術規范
| 公稱壓力PN(Class) | 150 | 300 | 400 | 600 | 900 |
| 殼體強度試驗壓力(MPa) | 3.0 | 7.5 | 9.45 | 16.5 | 22.5 |
| 密封性能試驗壓力(MPa) | 2.2 | 5.5 | 6.93 | 12.1 | 16.5 |
| 設計制造 | API 6D-2014、ASME B16.34-2013 | ||||
| 結構長度 | 按API 6D-2014、ASME B16.10-2017的規定或訂貨合同要求 | ||||
| 連接法蘭 | ASME B16.5-2017、ASME B16.47-2017、ANSI B16.5-2013等 | ||||
| 檢驗試驗 | API 6D-2014、API 598-2016 | ||||
| 過濾精度 | 20μm ~ 16000μm | ||||
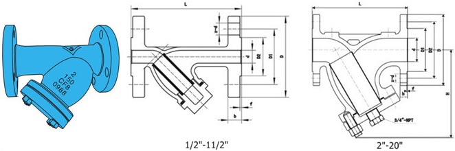
美標Y型過濾器外型尺寸
| 公稱壓力 Class | 公稱尺寸 NPS | 系列I尺寸/mm | 系列II尺寸/mm | 排放口 B(in) | ||
| L | H | L | H | |||
| 150 | ? | 134 | 60 | 134 | 60 | — |
| ? | 142 | 70 | 142 | 70 | — | |
| 1 | 152 | 70 | 152 | 70 | — | |
| 1 ? | 182 | 75 | 168 | 75 | — | |
| 1 ? | 200 | 90 | 200 | 90 | — | |
| 2 | 217 | 105 | 217 | 105 | NPT? | |
| 2 ? | 250 | 150 | 252 | 150 | NPT? | |
| 3 | 284 | 175 | 282 | 175 | NPT? | |
| 4 | 310 | 200 | 309 | 200 | NPT? | |
| 5 | 353 | 205 | 351 | 205 | NPT? | |
| 6 | 390 | 260 | 388 | 260 | NPT? | |
| 8 | 485 | 300 | 468 | 300 | NPT? | |
| 10 | 552 | 380 | 540 | 380 | NPT? | |
| 12 | 641 | 410 | 640 | 410 | NPT? | |
| 14 | 668 | 480 | 683 | 480 | NPT? | |
| 16 | 755 | 540 | 755 | 540 | NPT? | |
| 18 | 853 | 580 | 853 | 580 | NPT? | |
| 20 | 890 | 645 | 900 | 645 | NPT? | |
| 24 | 1060 | 950 | 1060 | 950 | NPT? | |
美標Y型過濾器結構圖

如果你需訂購我廠美標Y型過濾器產品,咨詢時煩請提供壓力磅級、公稱尺寸、殼體材料、濾筒濾網材質、過濾精度、法蘭密封面形式等參數。
網站首頁