LPG(W)臥式過濾器_LPGK(W)臥式快開過濾器產品概述
LPG(W)臥式過濾器是一種臥式安裝適用于介質為液體的管道用籃式過濾器,由封頭和筒體組成殼體,其左側和正面方向分別設有流體進口和出口,殼體內置有有利于機械雜質分離沉降的濾芯,并經側蓋和殼體右側端蓋法蘭通過緊固螺母壓緊固定,工作時,待處理液體從左側進液口進入過濾器內,經過置有一定規格濾網的濾筒后將固體雜質濾除掉,從出液口流出即可,當需要清洗時,只要將可拆卸的側蓋打開,把濾芯從筒體內抽出,處理后重新裝入即可,因此,使用維護極為方便。
LPG(W)臥式過濾器是我廠選用JB/T 7538-2016管道用籃式過濾器標準設計制造的一款產品,其采用雙層過濾網結構,一層是由不銹鋼冷軋鋼板沖制成粗間隙圓孔篩板卷制而成的濾筒,另層為使用細間隙金屬絲編織方孔篩網制做的濾網,可以對液體中的大小顆粒雜質同時進行過濾,能夠給予雙重的保護,本產品具有過濾面積大,過濾芯的凈過流面積為進口截流面積的3~10倍,壓力損失小,排污清洗方便等特點,特別適合固體雜質含量較多的工作介質,宜安裝在有90°流向變化處。
LPG(W)臥式過濾器_LPGK(W)臥式快開過濾器部件材料
序號 | 部件名稱 | 材料名稱 | ||||
1 | 筒 體 | Q235B | 20# | S30408 | S31608 | S31603 |
2 | 封 頭 | Q235B | 20# | S30408 | S31608 | S31603 |
3 | 接 管 | Q235B | 20# | S30408 | S31608 | S31603 |
4 | 法 蘭 | Q235B | 20# | S30408 | S31608 | S31603 |
5 | 側 蓋 | Q235B | Q235B | S30408 | S31608 | S31603 |
6 | 濾筒濾網 | 304 | 304 | S30408 | S31608 | S31603 |
7 | 螺 栓 | 35CrMoA | 35CrMoA | S30408 | S31608 | S31608 |
8 | 螺 母 | 30CrMoA | 30CrMoA | S30408 | S31608 | S31608 |
9 | 排 污 口 | Q235B | 20# | S30408 | S31608 | S31603 |
LPG(W)臥式過濾器_LPGK(W)臥式快開過濾器性能規范
公稱壓力PN(MPa) | 1.0 | 1.6 | 2.5 | 4.0 | 6.3 |
殼體試驗壓力(MPa) | 1.5 | 2.4 | 3.75 | 6.0 | 9.45 |
高壓液密封試驗壓力(MPa) | 1.1 | 1.76 | 2.75 | 4.4 | 6.93 |
低壓氣密封試驗壓力(MPa) | 0.6 | 0.6 | 0.6 | 0.6 | 0.6 |
設計制造 | JB/T 7538-2016 管道用籃式過濾器 | ||||
法蘭標準 | JB/T 81~82、GB/T 9115~9119、HG/T 20592~20615、SH/T 3406、ASME B16.5 | ||||
檢驗驗收 | JB/T 7538-2016 管道用籃式過濾器 | ||||
過濾精度 | 20μm ~ 16000μm | ||||
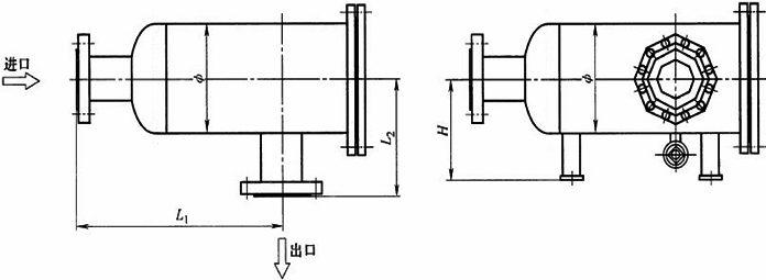
LPG(W)臥式過濾器_LPGK(W)臥式快開過濾器外型尺寸
設計壓力 MPa | 公稱通徑 DN | 公稱尺寸 NPS | 尺寸(mm) | |||
Φ | L1 | L2 | H | |||
0.25 ~ 10.0 | 300 | 12 | 500 | 1000 | 550 | 540 |
350 | 14 | 600 | 1200 | 650 | 600 | |
400 | 16 | 700 | 1300 | 700 | 650 | |
450 | 18 | 800 | 1400 | 800 | 700 | |
500 | 20 | 900 | 1500 | 900 | 800 | |
600 | 24 | 1000 | 1700 | 1000 | 900 | |
700 | 28 | 1200 | 1700 | 1000 | 1000 | |
800 | 32 | 1400 | 2000 | 1100 | 1100 | |
900 | 36 | 1600 | 2200 | 1200 | 1200 | |
1000 | 40 | 1800 | 2300 | 1300 | 1300 | |
LPG(W)臥式過濾器_LPGK(W)臥式快開過濾器結構圖

如果你需訂購我廠管道過濾器產品,咨詢時煩請提供型號數據,公稱直徑、公稱壓力、殼體材質、濾籃材質及過濾精度、法蘭標準、法蘭密封面形式等,本系列產品按功能類別不同有LPG(W)型臥式普通過濾器和LPGK(W)型臥式快開過濾器兩種,如有特殊要求,請來電咨詢。
網站首頁