氣動Y型三通球閥產品介紹
氣動Y型三通球閥主要由Y型三通球閥和氣動執行機構以及電磁閥、限位開關、空氣過濾減壓閥等控制裝置組成,其閥體中設有Y形流體通道,并放置有接通或切斷流體通道的球體,球體上有一體成型的閥桿,氣動驅動裝置與閥桿固定連接,當氣缸與電路和系統氣源接通后,空氣通過管道A或B管進入A缸(B缸)推動活塞向一端運動,從而驅動閥桿帶動球體轉動120°或135°,實現介質流向的切換與自動控制的功能。
氣動Y型三通球閥閥體采用的是一進兩出(一個進料口,二個出料口)的Y形三通結構,其帶柄球體兩通孔呈120°或135°。該閥出廠初始狀態為右出料口關閉,進料口與左出料口相通,當需要換向時,接通氣源,氣源壓力作用在氣缸活塞上產生一個推力,帶動閥桿旋轉120°或135°,球體位移,使閥門進料口與右出料口相通,左出料口關閉。本產品氣動執行器可選用120°或135°角行程GT、AT或AW系列單、雙作用。
氣動Y型三通球閥部件材料
| 序號 | 部件名稱 | 材料名稱 | ||||
| 1 | 閥 體 | A216 WCB | A351 CF8 | A351 CF3 | A351 CF8M | A351 CF3M |
| 2 | 閥 蓋 | A216 WCB | A351 CF8 | A351 CF3 | A351 CF8M | A351 CF3M |
| 3 | 閥 座 | RPTFE、PTFE、TEFLON、NYLON、PPL、PEEK、DEVLON、SS+HF | ||||
| 4 | 彎 頭 | A216 WCB | A351 CF8 | A351 CF3 | A351 CF8M | A351 CF3M |
| 5 | 帶柄球體 | A351 CF8 | A351 CF8 | A351 CF3 | A351 CF8M | A351 CF3M |
| 6 | 填 料 | GRAPHITE、R-PTFE、PTFE、TEFLON、PCTFE | ||||
| 7 | 螺 栓 | A193 B7 | A193 B8 | A193 B8 | A193 B8M | A193 B8M |
| 8 | 螺 母 | A194 2H | A194 8 | A194 8 | A194 8M | A194 8M |
氣動Y型三通球閥性能參數
| 公稱壓力PN(MPa) | 1.6 | 2.5 | 4.0 | 2.0 | 5.0 |
| 殼體試驗壓力(MPa) | 2.4 | 3.75 | 6.0 | 3.0 | 7.5 |
| 高壓液密封試驗壓力(MPa) | 1.76 | 2.75 | 4.4 | 2.2 | 5.5 |
| 低壓氣密封試驗壓力(MPa) | 0.6 | 0.6 | 0.6 | 0.6 | 0.6 |
| 設計制造 | GB/T 12237、GB/T 21385、API 608、ASME B16.34 | ||||
| 結構長度 | 按本廠標準Q/CB的規定或訂貨合同要求 | ||||
| 連接法蘭 | JB/T 79、GB/T 9113、HG/T 20592、HG/T 20615、SH/T 3406、ASME B16.5等 | ||||
| 檢驗試驗 | GB/T 26480、JB/T 9092、API 598 | ||||
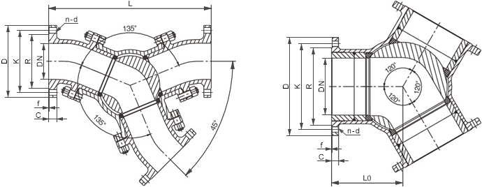
氣動Y型三通球閥主要尺寸
| 公稱壓力 PN | 公稱通徑 DN | 外形及連接尺寸/mm | ||||||
| L | L0 | D | K | R | C-f | n-d | ||
| 16 ~ 25 (Class150) 20 | 50 | 340 | 110 | 160 | 125 | 100 | 16-3 | 4-?18 |
| 65 | 400 | 130 | 180 | 145 | 120 | 18-3 | 4-?18 | |
| 80 | 410 | 150 | 195 | 160 | 135 | 20-3 | 8-?18 | |
| 100 | 460 | 170 | 215 | 180 | 155 | 20-3 | 8-?18 | |
| 125 | 560 | 190 | 245 | 210 | 185 | 22-3 | 8-?18 | |
| 150 | 660 | 210 | 280 | 240 | 210 | 24-3 | 8-?23 | |
| 200 | 800 | 235 | 335 | 295 | 265 | 26-3 | 12-?23 | |
| 250 | 1030 | 290 | 405 | 355 | 320 | 30-3 | 12-?25 | |
| 300 | 1140 | 350 | 460 | 410 | 375 | 30-4 | 12-?25 | |
| 表中為部分JB/T 79-2015標準PN16法蘭連接尺寸。如需其他規格尺寸,請咨詢汗越閥門技術部! | ||||||||
氣動Y型三通球閥結構圖

如果你需訂購我廠三通球閥產品,咨詢時煩請提供類型(有L型、T型、Y型三種)、角度(Y型有120°和135°兩種)、公稱尺寸、公稱壓力、閥體材料、內件材質、介質溫度、氣源壓力、是否配氣動三聯件等,本產品出廠初始狀態分向左或向右兩種流向,用戶應根據工況實際情況確認好。
網站首頁